网站首页
关于我们
关于我们
公司简介
企业文化
荣誉资质
产品展示
产品展示
高压开关柜系列
低压开关柜系列
箱式变电站系列
电缆分接箱系列
户外真空断路器系列
新闻资讯
新闻资讯
行业动态
公司新闻
人力资源
联系我们
0551-62633502
产品展示
PRODUCTS
产品分类
OUR PRODUCTS
高压开关柜系列
低压开关柜系列
箱式变电站系列
电缆分接箱系列
户外真空断路器系列
您现在的位置:
首页
>
产品展示
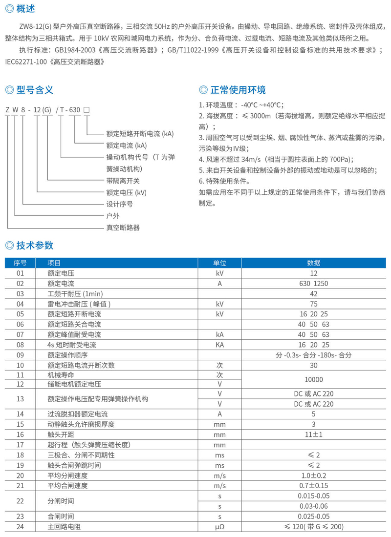
ZW8-12(G)户外高压真空断路器
联系我们
返回列表
产品详情