概述
由于本装置能有效改善用电负荷的功率因数,降低线损,提高变压器的实际负载能力,具有显著的节能效果,同时在系统中采用特定的电抗器,还可以有效防止谐波放大、有效吸收大部分谐波电流,使谐电压总畸率限值及各次谐波电流含量限值符合国家标准,达到谐波治理的目的。而如果使用普通的接触器投切电容器组,带来的将会是大的浪涌电流,慢的补偿时间、高的维护费用和短的使用寿命,因此,我们建议用户在以下场合,能优先考虑使用动态无功补偿装置。如:工矿企业的变电所、生产车间及民用建筑等的低压电网中,特别适合负荷经常变化,无功功率不稳定的输配电系统。
本产品符合:GB/T1 5576-2008《低压成套无功功率补偿设备》、IEC60439《低压成套开关设备和控制设备》等标准。
型号含义

使用条件
>环境温度:-5℃~+40℃;
>环境相对湿度:不超过90%(20℃);
>海拔高度:不超过2000m;
>周围介质无爆炸危险,无足以损坏及腐蚀金属的气体,无导电尘埃,安装地不易剧烈振动,无雨雪侵蚀。
产品特点
电网中的感性负载(发电机、扼流圈、变压器、感应式加热器及电焊机等)都会产生不同程度的电滞,即所谓的电感。感性负载具有电压改变方向仍能使电流的方向(如正向)保持一段时间的特性。一旦存在了这种电流与电压之间的相位差,就会产生无功功率,并被反馈到电网中。在交流电网中(50/60Hz),上述过程每秒重复50或60次,因而一种显而易见的解决方法就是直接将这些感性功率电能(无功功率)通过电容器来暂时存储和释放,从而减少了电网的无功功率交换。
>通用性能强。该补偿柜可与国内外各种任意柜体进行组合,如MNS、GCK、GGD等;
>电容补偿组合方式多样灵活。具有Y型补偿方式、△型补偿方式、Y+△1组合补偿方式;
>通讯方式多样性。具备RS-232/485通讯接口,无线数传模块或GPRS模块实行远距离通讯;
>控制准确安全。实行电压过零触发,投入时无浪涌电流过零切除,分断时不产生高压;
>使用寿命长,在免维护下,使用寿命长达10万小时以上。
技术特点
> 自动补偿无功功率,提高功率因数;
> 提高设备效率,节约投资;
> 减少配电线路损耗和变压器损失;
> 改变电压质量,提高供电的可靠性。
技术概要
> 系统电压:AC450V以下;
> 投切时间:t ≤ 20ms;
> 投入涌流:<25In;
> 额定频率:50Hz±50%;
> 取样电流:0~5A;
> 本机功耗:≤ 15W;
> 灵敏度:100mA。
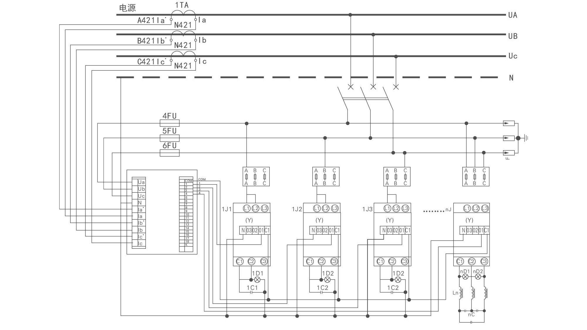
参考方案

订货须知
> 主电路方案图;
> 补偿容量及补偿方式;
> 与产品正常使用条件不相符的须提前说明。